Ich hatte nur in dem Bereich bis 250 Grad geschaut, das ist ja der Bereich aus dem ich erst rauskomme wenn sich mein Motor thermisch zurück in seinen Rohmaterial zustand verwandelt. Und dann habe ich gedacht, das ich das durch Tunerstudio anpassen kann, da ich ja sowieso meine Werte so hinbastel wie ich es benötige.
Okay, ich versuche mich durch das Datenblatt zu wurschteln.
Da die Beschaltung gleich zu sein scheint, würde ich vermuten das es geht. Oder muss ich noch auf etwas anderes achten?
Jetzt muss ich erstmal in die Garage.
Analoges CLT Signal
Re: Analoges CLT Signal
Käfer - UMC1 - MS2/Extra 3.4.2 Release 20160421
Bus - UMC1 - MS2/Extra 3.4.2 Release 20160421
Bus - UMC1 - MS2/Extra 3.4.2 Release 20160421
Re: Analoges CLT Signal
Servus,
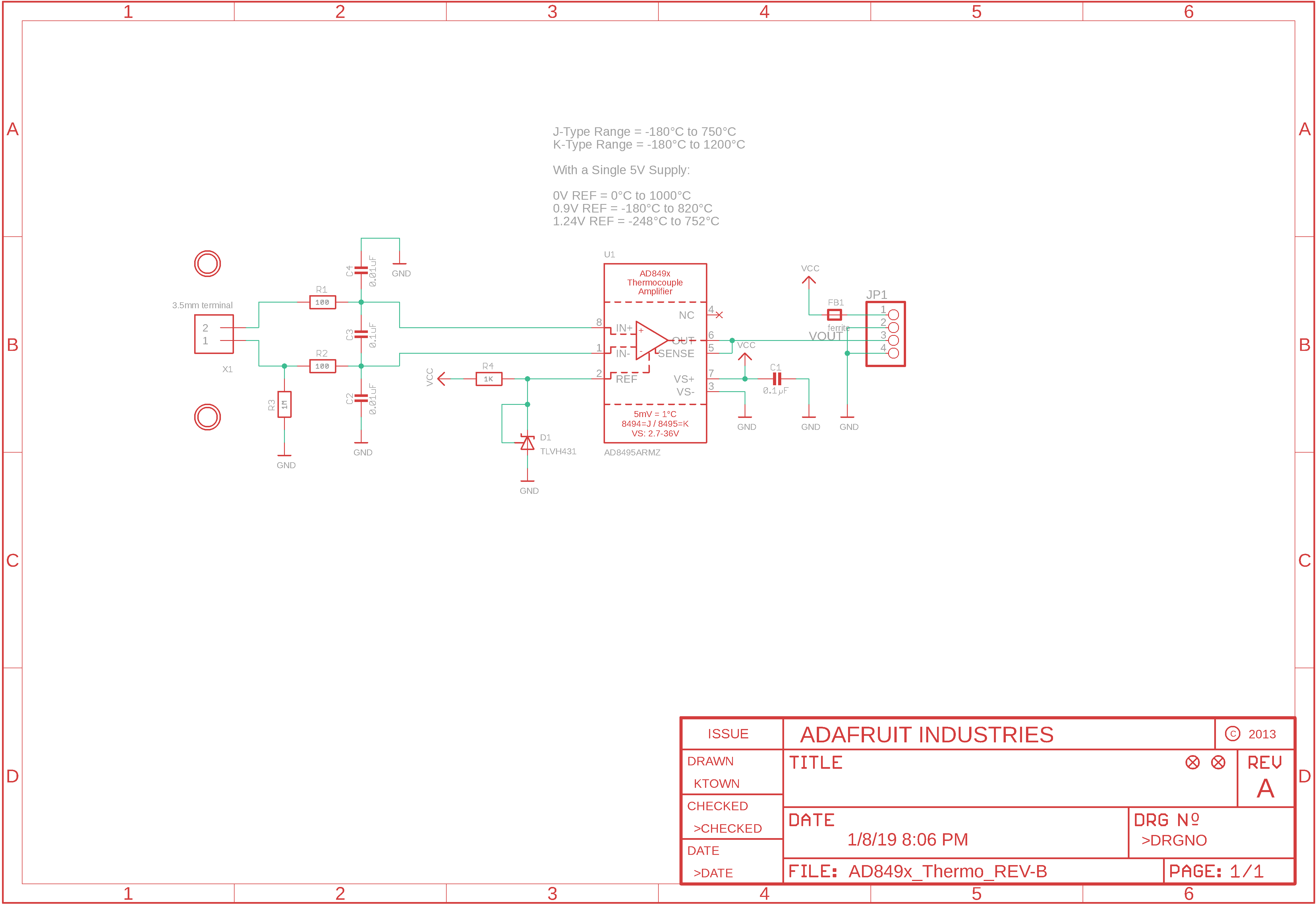
also ich habe mich nochmal versucht mit der Thematik zu beschäftigen und bin dabei auf folgenden Plan gestoßen:
Für mich sieht es also so aus als ob ich den AD 8495 gegen den AD 8494 tauschen kann. Reichelt hat ihn zum Glück auch im Angebot
https://www.reichelt.de/verstaerker-m-k ... os_0&nbc=1
Die Endungen scheinen unterschiedlich zu sein, aber von den groben Eckdaten sind Sie gleich. Bin gespannt auf die ersten Versuche!
also ich habe mich nochmal versucht mit der Thematik zu beschäftigen und bin dabei auf folgenden Plan gestoßen:
Für mich sieht es also so aus als ob ich den AD 8495 gegen den AD 8494 tauschen kann. Reichelt hat ihn zum Glück auch im Angebot
https://www.reichelt.de/verstaerker-m-k ... os_0&nbc=1
Die Endungen scheinen unterschiedlich zu sein, aber von den groben Eckdaten sind Sie gleich. Bin gespannt auf die ersten Versuche!
Käfer - UMC1 - MS2/Extra 3.4.2 Release 20160421
Bus - UMC1 - MS2/Extra 3.4.2 Release 20160421
Bus - UMC1 - MS2/Extra 3.4.2 Release 20160421
Re: Analoges CLT Signal
Den kannst du einfach tauschen das sollte passen.
Wer aufhört besser zu werden hat aufgehört gut zu sein
Alfa 156 GTA
Alfa 75 Race Car MS III
Alfa 164 V6 Turbo
Test MS II
Tunerstudio V3.0.60.61 Registered
MLog View V4.3.30 Registered
MLog View HD V4.3.30 Registered
Alfa 156 GTA
Alfa 75 Race Car MS III
Alfa 164 V6 Turbo
Test MS II
Tunerstudio V3.0.60.61 Registered
MLog View V4.3.30 Registered
MLog View HD V4.3.30 Registered