Megasqirt MS3X Knock Modul

Antworten
fake
Beiträge: 15
Registriert: Di Okt 24, 2017 7:00 pm

Megasqirt MS3X Knock Modul

Beitrag von fake »

Tag zusammen,

ich bräuchte mal bitte eure Hilfe!

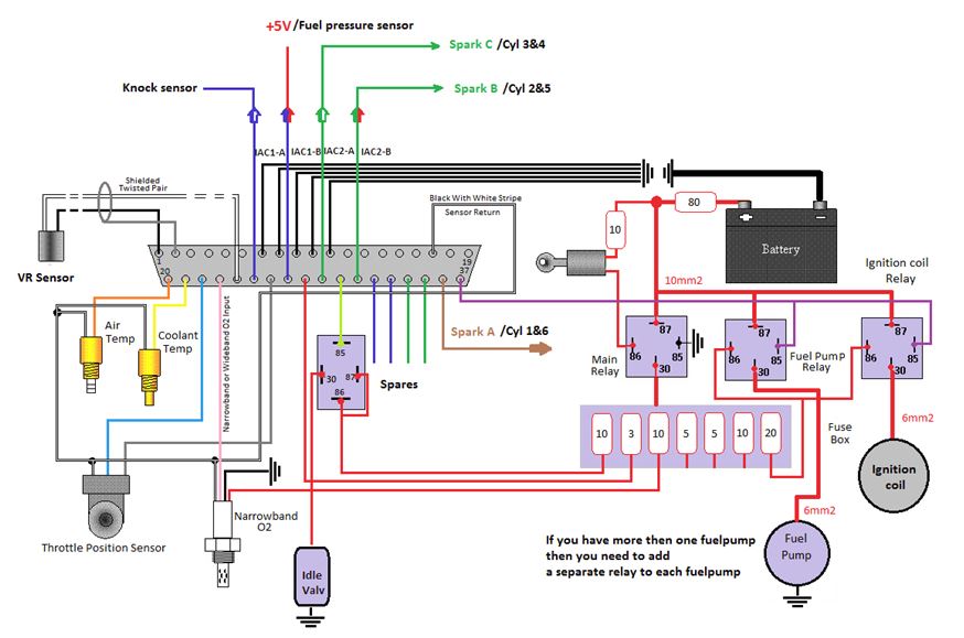
Meine MS3 hat ein Knock modul verbaut. Allerdings weis ich n nur die Belegung von einem Sensor. (siehe Schaltplan)
Ich habe das so komplett gekauft und der Roman, der mir das verkauft hat lebt nicht mehr. Deswegen ist dort nachfragen auch etwas schwierig.
Würde jetzt aber, wenn ich sie schon habe, auch gerne beide Sensoren anschlißen.

Könnt ihr mir da viellecht weiter helfen?

Kann mir jemand sagen auf welchen Ausgängen ich die Klopfsensoren anschließen muss?

Ich habe mir schon ein paar Videos und die MS3X doku angeschaut wie das zusammengebaut wird. Das scheint für micht auch so zu stimmen.
Bloß ist mir nicht klar auf welche Ausgänge jetzt diese beiden Lötstellen gehen.

Wäre klasse wenn mir jemand von euch da weiter helfen könnte!

Danke
Dateianhänge
exp bottom
exp bottom
exp top
exp top
wiring
wiring
fake
Beiträge: 15
Registriert: Di Okt 24, 2017 7:00 pm

Re: Megasqirt MS3X Knock Modul

Beitrag von fake »

Kurze Rückmeldung meinerseits.

Habe nicht herausfinden können wohin der 2. Pin geht.

Deswegen habe ich es dann nach der megasquirt Anleitung angeschlossen.
Antworten